(Si vous ne voyez pas la zone adhérent, mettez à jour vos coordonnées CDZ dans le Panneau de l'Utilisateur et prévenez l'admin)
Changement de moteur pour une BB 67001 LIMA, par un RC500-KT-14440
-
- Gold
- Messages : 286
- Enregistré le : 18 mars 2016, 19:10
- Localisation : Toulouse, Najac
- A été remercié : 4 fois
Re: Changement de moteur pour une BB 67001 LIMA, par un RC500-KT-14440
Bonjour,
Ce n'est pas le même prix ... mais je n'ai pas trouvé les caractéristiques précises ! Comme j'ai 6 bogies ... rappelons que les locotracteurs Lima sont motorisés par des bogies de 67000. Enfin par un.
JL
Ce n'est pas le même prix ... mais je n'ai pas trouvé les caractéristiques précises ! Comme j'ai 6 bogies ... rappelons que les locotracteurs Lima sont motorisés par des bogies de 67000. Enfin par un.
JL
- Jean-Luc92
- Expert
- Messages : 123
- Enregistré le : 28 avr. 2023, 21:00
- Localisation : Montrouge 92 / Migennes 89
- A remercié : 3 fois
- A été remercié : 135 fois
- Contact :
Re: Changement de moteur pour une BB 67001 LIMA, par un RC500-KT-14440
Bonjour
J'ai équipé d'un moteur et d'engrenages une BB 67001 LIMA complètement désossée.
Maintenant que j'ai validé l'adaptation de ce type de moteur, je vais pourvoir remplacer les moteurs de mes autres loco LIMA. Il y a juste à enlever des protubérances à l'intérieur qui tiennent le moteur d'origine, pour que le moteur puisse rentrer complétement. C'est vraiment une chance, que les dimensions des moteurs RC500 soient juste idéales.
Dans ce cas, il y a juste à acheter un moteur (3 à 5 Euros) et un engrenage (10 Euros pour 3 sachets d'engrenages différents, pour être sûr d'en avoir un à la bonne taille).
A ce prix, j'ai acheté différents type de moteur RC500, qui ont des vitesses et puissances différentes, mais tous prévus pour du 12 à 14 Volts.
Souvent, les petits moteurs proposés pour remplacer les moteurs LIMA sont pour du 6 ou 9 Volts.
Les moteurs de type RC500 sont nettement plus gros, plus puissants et plus lents. Leurs vitesses changent moins en fonction de la charge derrière la locomotive.
Les caractéristiques des moteurs sont données à titre indicatif. Je les ai acheté ici (Lien sans garantie, le vendeur pouvant modifier les produits, mais c'est pas cher et rapide) : https://www.aliexpress.com/item/1005005 ... 7d56bA7QLs
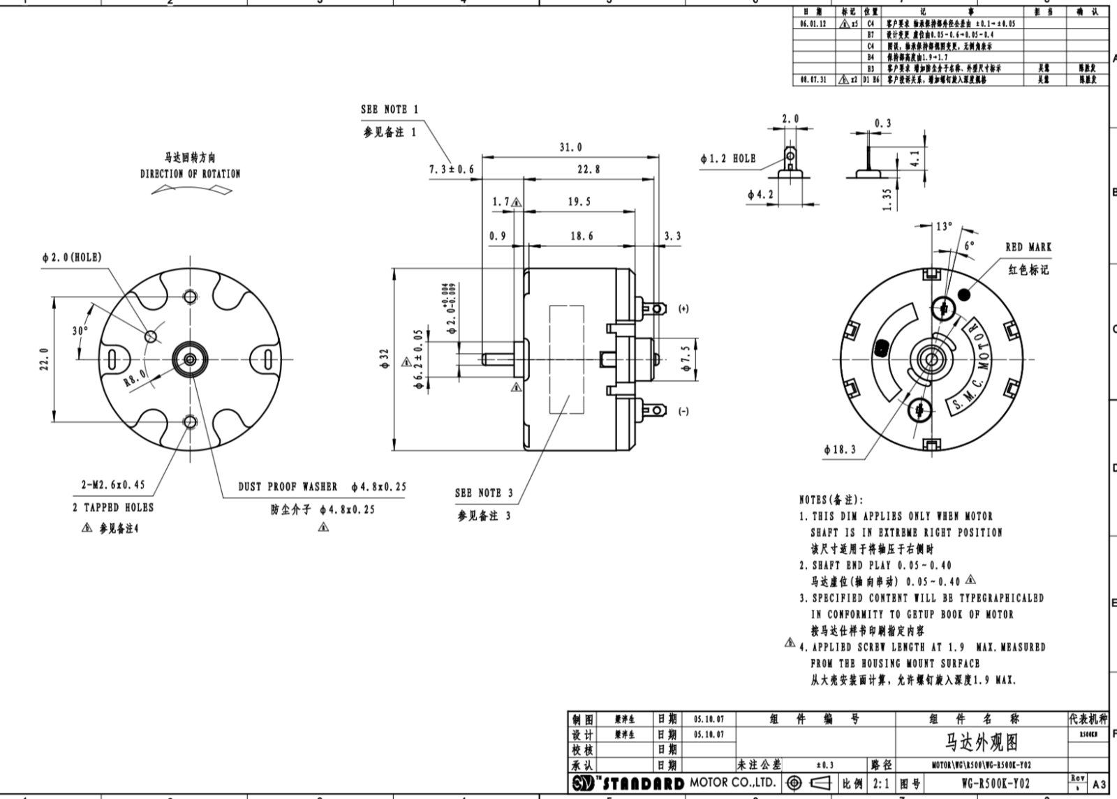
- Moteur RC500-KT-14440 (14,4V - 1A - 4,7W - 8400 tm)
- Moteur RC500-KW-13500 (12V - 0,7A - 2W - 5500 tm)
- Moteur RC500-KN-11560 (12V - 0,6A - 2W - 5200 tm)
J'ai équipé d'un moteur et d'engrenages une BB 67001 LIMA complètement désossée.
Maintenant que j'ai validé l'adaptation de ce type de moteur, je vais pourvoir remplacer les moteurs de mes autres loco LIMA. Il y a juste à enlever des protubérances à l'intérieur qui tiennent le moteur d'origine, pour que le moteur puisse rentrer complétement. C'est vraiment une chance, que les dimensions des moteurs RC500 soient juste idéales.
Dans ce cas, il y a juste à acheter un moteur (3 à 5 Euros) et un engrenage (10 Euros pour 3 sachets d'engrenages différents, pour être sûr d'en avoir un à la bonne taille).
A ce prix, j'ai acheté différents type de moteur RC500, qui ont des vitesses et puissances différentes, mais tous prévus pour du 12 à 14 Volts.
Souvent, les petits moteurs proposés pour remplacer les moteurs LIMA sont pour du 6 ou 9 Volts.
Les moteurs de type RC500 sont nettement plus gros, plus puissants et plus lents. Leurs vitesses changent moins en fonction de la charge derrière la locomotive.
Les caractéristiques des moteurs sont données à titre indicatif. Je les ai acheté ici (Lien sans garantie, le vendeur pouvant modifier les produits, mais c'est pas cher et rapide) : https://www.aliexpress.com/item/1005005 ... 7d56bA7QLs
- Moteur RC500-KT-14440 (14,4V - 1A - 4,7W - 8400 tm)
- Moteur RC500-KW-13500 (12V - 0,7A - 2W - 5500 tm)
- Moteur RC500-KN-11560 (12V - 0,6A - 2W - 5200 tm)
Site UTS 2000 à visiter ici : http://www.la-tour.info/uts/uts_index.html
et sa page électronique : http://www.la-tour.info/uts/uts_page13.html
Merci pour vos 133 remerciements.
et sa page électronique : http://www.la-tour.info/uts/uts_page13.html
Merci pour vos 133 remerciements.
-
- Gold
- Messages : 238
- Enregistré le : 07 oct. 2008, 19:24
- Localisation : Alsace
- A été remercié : 15 fois
Re: Changement de moteur pour une BB 67001 LIMA, par un RC500-KT-14440
Bonjour,
pourquoi se prendre la tête à adapter un moteur chinois et monter des engrenages nouveaux alors qu'un modèle remplaçant directement le moteur Lima existe chez un artisan Anglais pour la somme de 15.55 livres (rendu en France environ 25 €).
Il suffit de dévisser le coté du carter, d'enlever le moteur Lima et de le remplacer par le nouveau moteur, puis de revisser le coté du carter.
Rien de plus simple et le nouveau moteur est nettement plus puissant que le moteur d'origine.
le site est www.strathpefferjunction.com (déja cité pau un autre internaute du forum).
Cordialement
Michel
pourquoi se prendre la tête à adapter un moteur chinois et monter des engrenages nouveaux alors qu'un modèle remplaçant directement le moteur Lima existe chez un artisan Anglais pour la somme de 15.55 livres (rendu en France environ 25 €).
Il suffit de dévisser le coté du carter, d'enlever le moteur Lima et de le remplacer par le nouveau moteur, puis de revisser le coté du carter.
Rien de plus simple et le nouveau moteur est nettement plus puissant que le moteur d'origine.
le site est www.strathpefferjunction.com (déja cité pau un autre internaute du forum).
Cordialement
Michel
- Jean-Luc92
- Expert
- Messages : 123
- Enregistré le : 28 avr. 2023, 21:00
- Localisation : Montrouge 92 / Migennes 89
- A remercié : 3 fois
- A été remercié : 135 fois
- Contact :
Re: Changement de moteur pour une BB 67001 LIMA, par un RC500-KT-14440
Bonjour,
Pour ceux qui avaient compris que j'avais présenté une re-motorisation complète, même quand les engrenages sont perdus ou usés, voici le changement plus simple de moteur sur une Lima en bon état.
J'ai inséré un pignon à 12 dents sur un moteur RC500-KT-14440 diamètre de 32 mm et presque 5 watts de puissance. (Voir dispo au 1er message).
J'ai mis un morceau d'adhésif d'un coté du moteur, pour caler le moteur et le descendre un tout petit peu, pour qu'il soit plus en contact avec l'autre pignon.
C'est très simple à faire et cela revient à moins de 10 euros. Et si l'on a peur de cramer un moteur, on peut en acheter d'avance.
Contrairement à certains kits où l'on trouve un petit moteur de diamètre 25 mm entouré de plastique, le moteur RC500 de 32 mm nettement plus puissant prend toute la place de l'ancien moteur.
A+
Pour ceux qui avaient compris que j'avais présenté une re-motorisation complète, même quand les engrenages sont perdus ou usés, voici le changement plus simple de moteur sur une Lima en bon état.
J'ai inséré un pignon à 12 dents sur un moteur RC500-KT-14440 diamètre de 32 mm et presque 5 watts de puissance. (Voir dispo au 1er message).
J'ai mis un morceau d'adhésif d'un coté du moteur, pour caler le moteur et le descendre un tout petit peu, pour qu'il soit plus en contact avec l'autre pignon.
C'est très simple à faire et cela revient à moins de 10 euros. Et si l'on a peur de cramer un moteur, on peut en acheter d'avance.
Contrairement à certains kits où l'on trouve un petit moteur de diamètre 25 mm entouré de plastique, le moteur RC500 de 32 mm nettement plus puissant prend toute la place de l'ancien moteur.
A+
Site UTS 2000 à visiter ici : http://www.la-tour.info/uts/uts_index.html
et sa page électronique : http://www.la-tour.info/uts/uts_page13.html
Merci pour vos 133 remerciements.
et sa page électronique : http://www.la-tour.info/uts/uts_page13.html
Merci pour vos 133 remerciements.
- Jean-Luc92
- Expert
- Messages : 123
- Enregistré le : 28 avr. 2023, 21:00
- Localisation : Montrouge 92 / Migennes 89
- A remercié : 3 fois
- A été remercié : 135 fois
- Contact :
Re: Changement de moteur pour une BB 67001 LIMA, par un RC500-KT-14440
Bonjour,
Comme le nouveau moteur dépasse en largeur, on ne peut pas remettre en place le bloc de frotteur d'origine.
J'ai essayé de refaire le même type de cerclage, mais comme j'ai limé grossièrement les bouts de circuit imprimé, le montage n'est pas assez fixe. J'ai donc placé des frotteurs aux extrémités de bogie, sur un bout de circuit imprimé de 0,8 mm d'épaisseur.
Les lamelles souples sont en chrysocale ou bronze phosphoreux, de 0,1 mm d'épaisseur. On en trouve ici : "Chercher Phosphoreux Bronze plaque" ou "C5191". https://fr.aliexpress.com/w/wholesale-C ... t.search.0
Attention, sur Aliexpress, bien relire ce que l'on achète (quantité, taille, délai,...). A+
Comme le nouveau moteur dépasse en largeur, on ne peut pas remettre en place le bloc de frotteur d'origine.
J'ai essayé de refaire le même type de cerclage, mais comme j'ai limé grossièrement les bouts de circuit imprimé, le montage n'est pas assez fixe. J'ai donc placé des frotteurs aux extrémités de bogie, sur un bout de circuit imprimé de 0,8 mm d'épaisseur.
Les lamelles souples sont en chrysocale ou bronze phosphoreux, de 0,1 mm d'épaisseur. On en trouve ici : "Chercher Phosphoreux Bronze plaque" ou "C5191". https://fr.aliexpress.com/w/wholesale-C ... t.search.0
Attention, sur Aliexpress, bien relire ce que l'on achète (quantité, taille, délai,...). A+
Site UTS 2000 à visiter ici : http://www.la-tour.info/uts/uts_index.html
et sa page électronique : http://www.la-tour.info/uts/uts_page13.html
Merci pour vos 133 remerciements.
et sa page électronique : http://www.la-tour.info/uts/uts_page13.html
Merci pour vos 133 remerciements.
- Jean-Luc92
- Expert
- Messages : 123
- Enregistré le : 28 avr. 2023, 21:00
- Localisation : Montrouge 92 / Migennes 89
- A remercié : 3 fois
- A été remercié : 135 fois
- Contact :
Re: Changement de moteur pour une BB 67001 LIMA, par un RC500-KT-14440
Bonjour,
Maintenant, améliorons le bogie porteur, en lui ajoutant des prises de courant sur les quatre roues.
J'utilise toujours des plaques de chrysocale de 0,1 mm d'épaisseur, découpées en de fines bandes.
Et du câble extra-souple de 0,1 mm² ou 0,25 mm² acheté ici :
https://www.stquentin-radio.com/index.p ... id=0&act=0
https://www.stquentin-radio.com/index.p ... id=0&act=0
C'est les plus souples que j'ai trouvé, 26 brins pour le 0,1 mm² !
J'ai passé du fil rigide dénudé, et soudé à la fin ces fils et les lamelles.
A+
Maintenant, améliorons le bogie porteur, en lui ajoutant des prises de courant sur les quatre roues.
J'utilise toujours des plaques de chrysocale de 0,1 mm d'épaisseur, découpées en de fines bandes.
Et du câble extra-souple de 0,1 mm² ou 0,25 mm² acheté ici :
https://www.stquentin-radio.com/index.p ... id=0&act=0
https://www.stquentin-radio.com/index.p ... id=0&act=0
C'est les plus souples que j'ai trouvé, 26 brins pour le 0,1 mm² !
J'ai passé du fil rigide dénudé, et soudé à la fin ces fils et les lamelles.
A+
Site UTS 2000 à visiter ici : http://www.la-tour.info/uts/uts_index.html
et sa page électronique : http://www.la-tour.info/uts/uts_page13.html
Merci pour vos 133 remerciements.
et sa page électronique : http://www.la-tour.info/uts/uts_page13.html
Merci pour vos 133 remerciements.
- Jean-Luc92
- Expert
- Messages : 123
- Enregistré le : 28 avr. 2023, 21:00
- Localisation : Montrouge 92 / Migennes 89
- A remercié : 3 fois
- A été remercié : 135 fois
- Contact :
Re: Changement de moteur pour une BB 67001 LIMA, par un RC500-KT-14440
Bonjour,
Voici un patron pour refaire les vitrages avec un matériau plus translucide. Imprimer le fichier ".pdf" qui est à l'échelle.
Le plus compliqué est de bien cintrer les angles du vitrage.
Les petits rectangles permettent de mieux centrer le vitrage dans la cabine. A+
Voici un patron pour refaire les vitrages avec un matériau plus translucide. Imprimer le fichier ".pdf" qui est à l'échelle.
Le plus compliqué est de bien cintrer les angles du vitrage.
Les petits rectangles permettent de mieux centrer le vitrage dans la cabine. A+
Site UTS 2000 à visiter ici : http://www.la-tour.info/uts/uts_index.html
et sa page électronique : http://www.la-tour.info/uts/uts_page13.html
Merci pour vos 133 remerciements.
et sa page électronique : http://www.la-tour.info/uts/uts_page13.html
Merci pour vos 133 remerciements.
- Jean-Luc92
- Expert
- Messages : 123
- Enregistré le : 28 avr. 2023, 21:00
- Localisation : Montrouge 92 / Migennes 89
- A remercié : 3 fois
- A été remercié : 135 fois
- Contact :
Re: Changement de moteur pour une BB 67001 LIMA, par un RC500-KT-14440
Bonjour
Pour améliorer rapidement et à moindre frais la cabine, voici du découpage. Imprimer le fichier ".pdf" qui est à l'échelle.
On peut imprimer directement sur une feuille de carton de couleur.
La tableau de bord se colle dessus.
Pour faire des essais, on peut commencer par installer le tout avec du ruban scotch. . .
Attention une nouvelle version plus détaillée du fichier d'impression est ici :
- Lima O - Cabines version 1 - Vitrage d'origine.pdf (Voir page 10 ici : https://cercleduzero.org/forum/viewtopi ... 68#p108968)
A+
Pour améliorer rapidement et à moindre frais la cabine, voici du découpage. Imprimer le fichier ".pdf" qui est à l'échelle.
On peut imprimer directement sur une feuille de carton de couleur.
La tableau de bord se colle dessus.
Pour faire des essais, on peut commencer par installer le tout avec du ruban scotch. . .
Attention une nouvelle version plus détaillée du fichier d'impression est ici :
- Lima O - Cabines version 1 - Vitrage d'origine.pdf (Voir page 10 ici : https://cercleduzero.org/forum/viewtopi ... 68#p108968)
A+
Modifié en dernier par Jean-Luc92 le 18 mars 2024, 09:10, modifié 4 fois.
Site UTS 2000 à visiter ici : http://www.la-tour.info/uts/uts_index.html
et sa page électronique : http://www.la-tour.info/uts/uts_page13.html
Merci pour vos 133 remerciements.
et sa page électronique : http://www.la-tour.info/uts/uts_page13.html
Merci pour vos 133 remerciements.
- Jean-Luc92
- Expert
- Messages : 123
- Enregistré le : 28 avr. 2023, 21:00
- Localisation : Montrouge 92 / Migennes 89
- A remercié : 3 fois
- A été remercié : 135 fois
- Contact :
Re: Changement de moteur pour une BB 67001 LIMA, par un RC500-KT-14440
Bonjour,
et pour finir cette première série d'améliorations, voici les sièges et une évocation du poste de conduite.
Sinon, j'ai une question, j'ai laissé trempé la caisse 30 mn dans du DécapFour. La caisse est maintenant très propre, mais la peinture n'est pas partie, même pas un tout petit peu !
Dans quoi il faut tremper cette caisse Lima, pour la décaper ?
A+
et pour finir cette première série d'améliorations, voici les sièges et une évocation du poste de conduite.
Sinon, j'ai une question, j'ai laissé trempé la caisse 30 mn dans du DécapFour. La caisse est maintenant très propre, mais la peinture n'est pas partie, même pas un tout petit peu !
Dans quoi il faut tremper cette caisse Lima, pour la décaper ?
A+
Site UTS 2000 à visiter ici : http://www.la-tour.info/uts/uts_index.html
et sa page électronique : http://www.la-tour.info/uts/uts_page13.html
Merci pour vos 133 remerciements.
et sa page électronique : http://www.la-tour.info/uts/uts_page13.html
Merci pour vos 133 remerciements.